确认申请

M8圆形连接器A编码公头面板式板后安装3-8芯插板式M8*0.5

产品系列号 : M8 产品编码 : MC08AM-XXR2LDLNS1601 产品简介 :

M8圆形连接器是工业领域的主流小型化连接装置。其直径为8毫米,螺纹规格为M8×1.0 ,适用于空间有限的场景。它基本防护等级为IP67,部分型号可达IP69K。能防水、防尘、防油、耐寒,在- 40°C至+ 80°C的温度范围内保持稳定。它采用金属接触面和螺丝锁定设计,接触电阻≤10毫欧,确保可靠的信号和电力传输。它广泛用于连接传感器和执行器等设备。

产品详细信息
技术数据商业数据下载配套产品关联产品相关视频
M8圆形连接器A编码公头面板式板后安装插板式
M8圆形连接器A编码公头面板式板后安装插板式

☑紧凑尺寸:M8 圆形连接器以其紧凑的外形著称,非常适合空间受限的应用场景。
☑螺纹锁定机制:M8 圆形连接器配备 M8×1.0 规格的螺纹锁定机制,确保连接的安全性与稳定性。它能防止因振动或其他机械应力导致的意外断开,适用于振动频繁的工业环境。
☑工业环境应用。防护等级:其防护等级达到 IP67 甚至更高,具备防尘防水能力,适用于恶劣环境下的应用。
☑引脚配置:M8 圆形连接器提供多种引脚配置,常见的有 3 针或 4 针设计,以满足不同的信号传输需求。

操作注意事项
要达到规定的电气和机械参数,必须保证连接器对已正确锁定并安装好。如果连接器未锁定或有被污染的危险,则必须用保护等级 >IP54的护盖将其密封。还必须考虑因绞线、电缆或PCB组件造成的影响。
产品类型
M8圆形连接器
应用
电力、信号
传感器类型
通用
性别
公端
核心数
3-8芯
编码
A编码
螺纹类型
M8×1.0
外壳材质
铜镀镍
阻燃等级,符合UL 94
V0
密封材料
环氧树脂 / 橡胶
接触件材料
铜镀金
接触件载体材料
PA9T
安装类型
板后安装
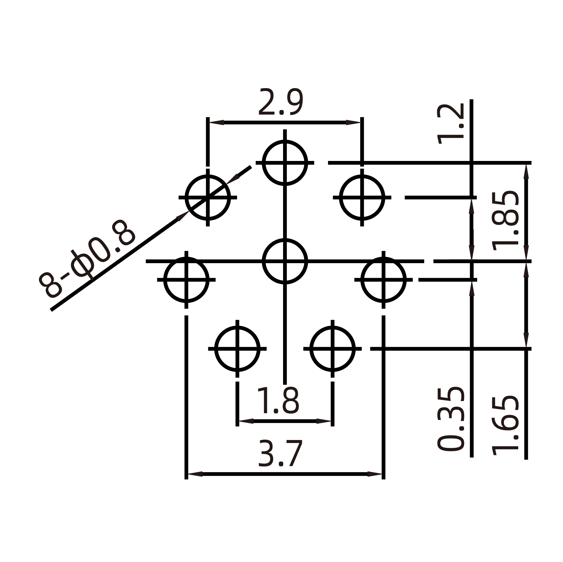
开孔尺寸
Ø7.2/8.1(详情可查看图纸)
接触电阻
≤5mΩ
绝缘电阻
100MΩ
额定电压
AC:60V/30V DC:60V/30V
额定电流
3A、1.5A

产品型号
芯数
额定电流
额定电压
线规/尺寸
A/C
D/C
AWG
mm²
MC08AM-03R2LDLNS1601
3
3A
60V
60V
24
0.25
MC08AM-04R2LDLNS1601
4
3A
60V
60V
24
0.25
MC08AM-06R2LDLNS1601
6
1.5A
30V
30V
26
0.14
MC08AM-08R2LDLNS1601
8
1.5A
30V
30V
26
0.14

芯数 3A 4A 6A
公端

编码_M8-3A-Male.jpg

编码_M8-4A-Male.jpg

编码_M8-6A-Male.jpg

8A 5B 4D

编码_M8-8A-Male.jpg

编码_M8-5B-Male.jpg

编码_M8-4D-Male.jpg

芯数 3A 4A 6A
母端

编码_M8-3A-Female.jpg

编码_M8-4A-Female.jpg

编码_M8-6A-Female.jpg

8A 5B 4D

编码_M8-8A-Female.jpg

编码_M8-5B-Female.jpg

编码_M8-4D-Female.jpg

芯数 3 Pin 芯线颜色 芯数 4 Pin 芯线颜色 A编码 芯数 4 Pin 芯线颜色 D编码
1 BN Image 1 BN Image 1 BN Image
2 - Image 2 - Image 2 - Image
3 BU Image 3 BU Image 3 BU Image
4 BK Image 4 BK Image 4 BK Image
 
芯数 5 Pin 芯线颜色 芯数 6 Pin 芯线颜色 芯数 8 Pin 芯线颜色
1 BN Image 1 WH Image 1 WH Image
2 - Image 2 BN Image 2 BN Image
3 BU Image 3 BU Image 3 GN Image
4 BK Image 4 BK Image 4 YE Image
5 GY Image 5 GY Image 5 GY Image
      6 PK Image 6 PK Image
            7 BU Image
            8 RD Image

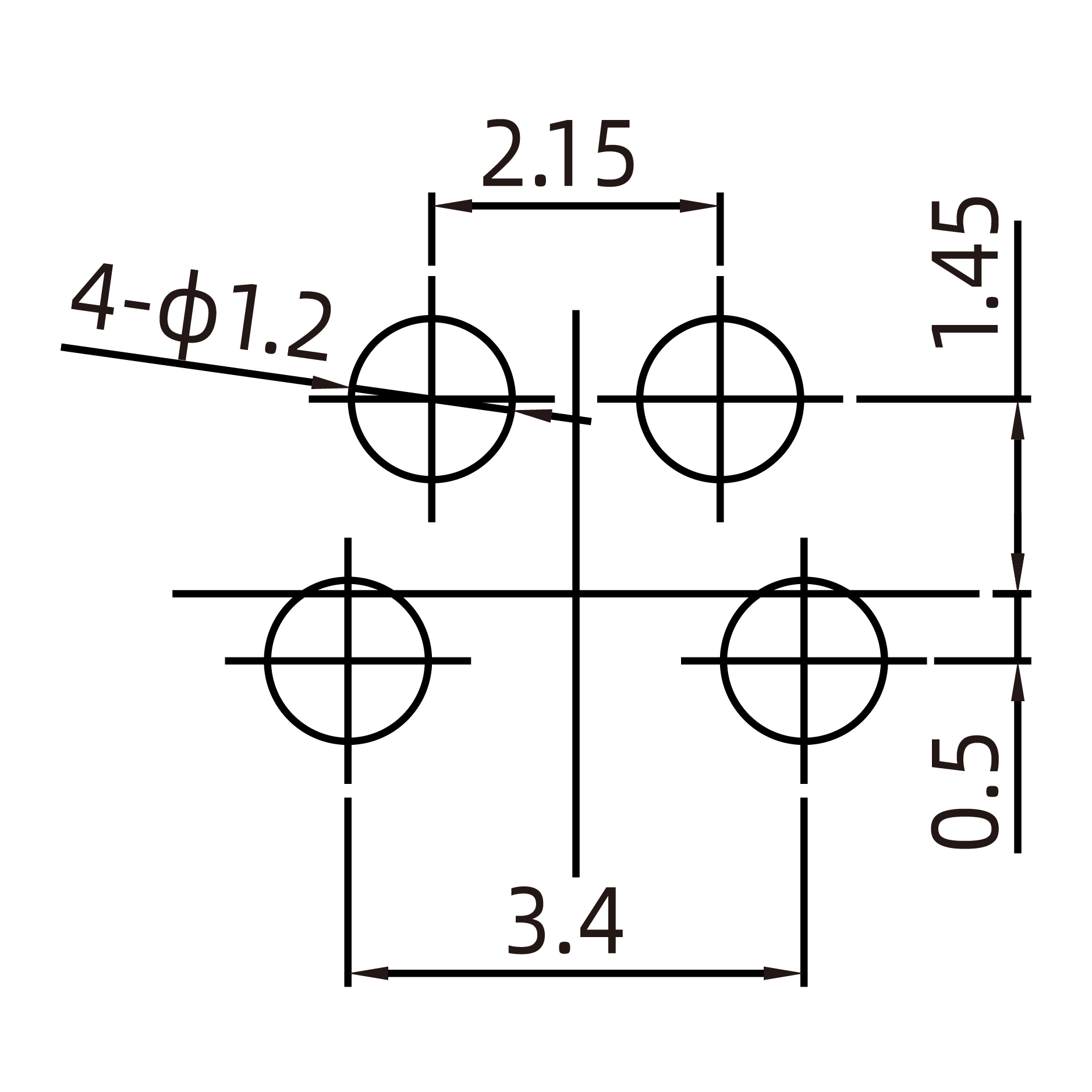
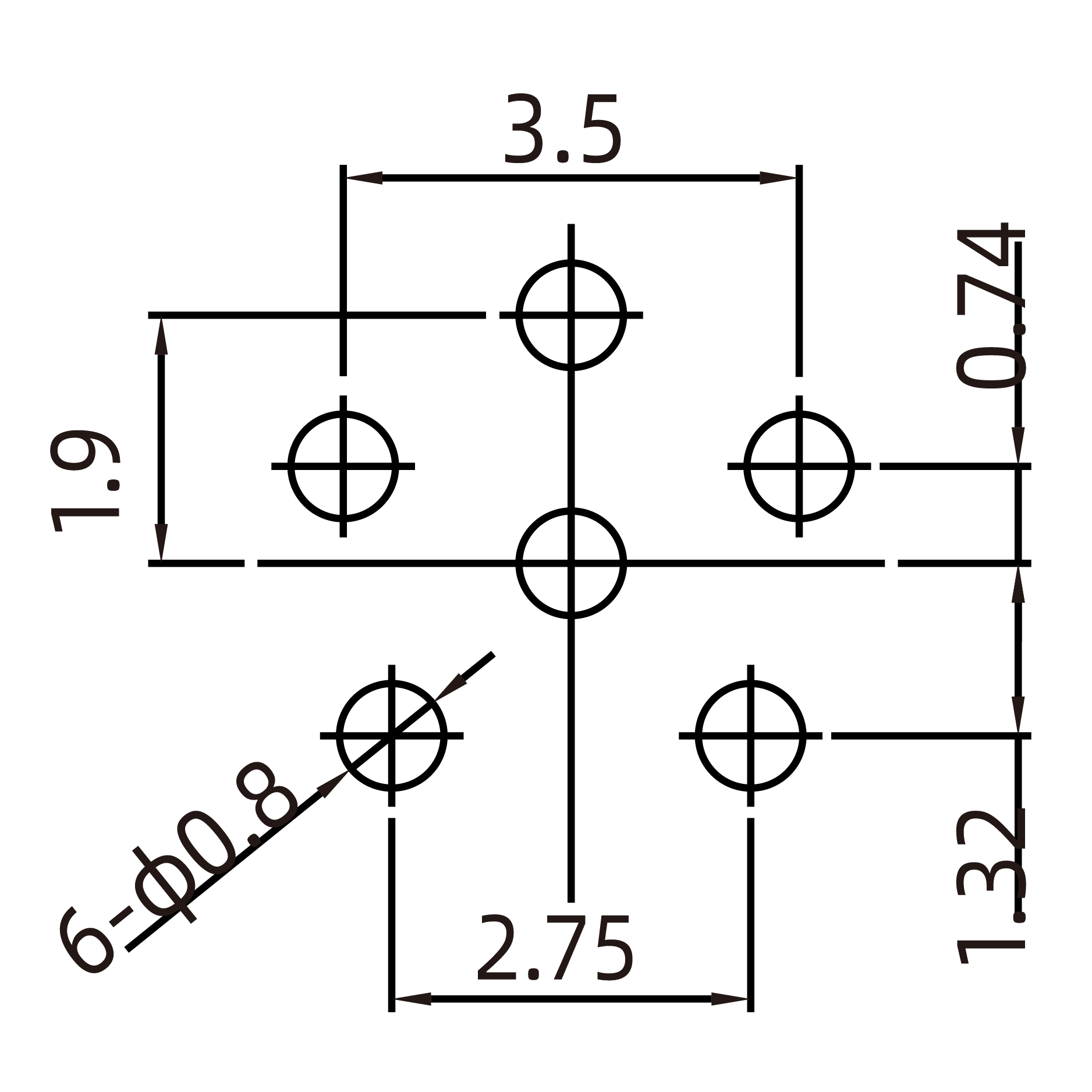
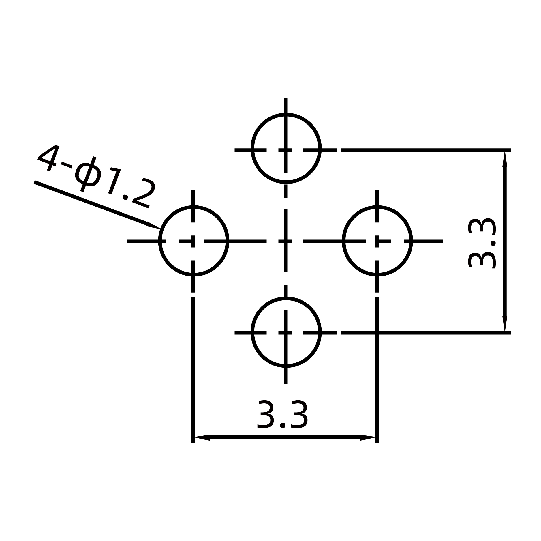
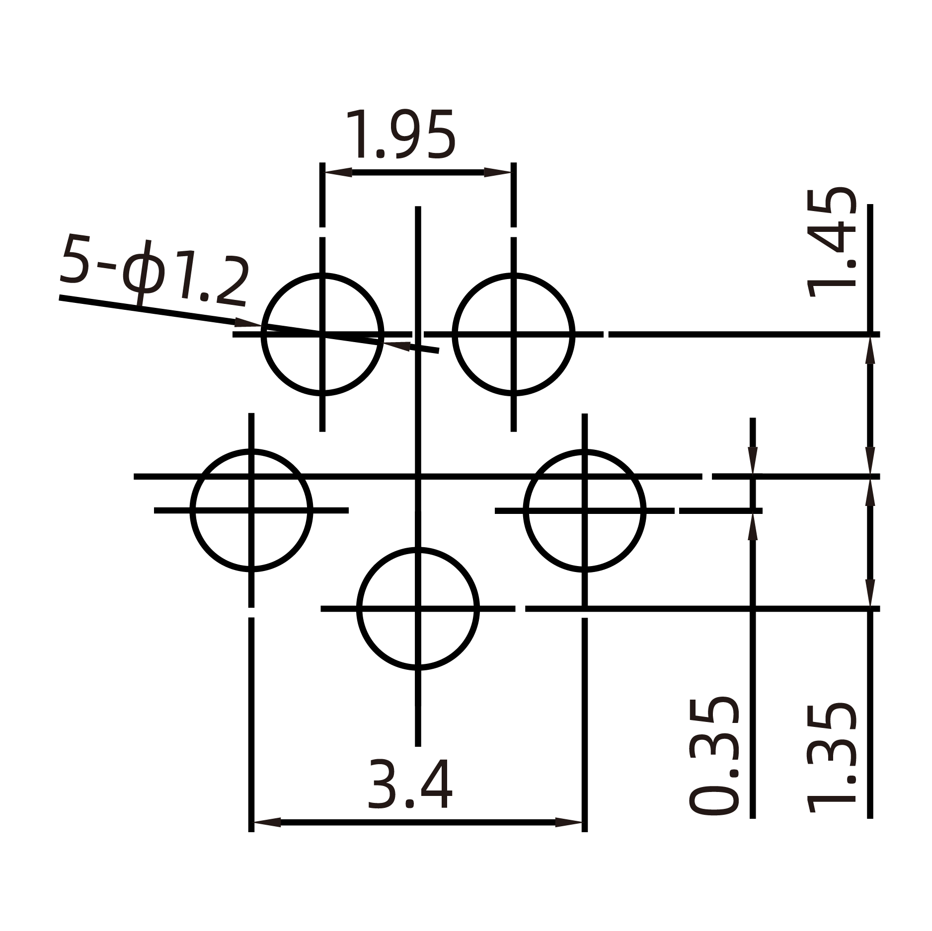
芯数 3 4 6 8 5B 4D
PCB开孔尺寸

芯位图_M8-3A-PCB.jpg

芯位图_M8-4A-PCB.jpg

芯位图_M8-6A-PCB.jpg

芯位图_M8-8A-PCB.jpg

芯位图_M8-5B-PCB.jpg

芯位图_M8-4D-PCB.jpg

插/拔周期
≥500 次
连接方式
插板接线
触点类型
针式插座
防护等级(安装后)
IP67/IP68
环境温度(运行)
-25 ° - +85 °C
环境温度(运行)
-40 ° - +80 °C (无机械驱动)
包装单位
1 pc
最小订货量
1 pc
单件重量(不含包装)
30g

M8圆形连接器系列

M8圆形连接器是工业领域的主流小型化连接装置。其直径为8毫米,螺纹规格为M8×1.0 ,适用于空间有限的场景。它基本防护等级为IP67,部分型号可达IP69K。能防水、防尘、防油、耐寒,在- 40°C至+ 80°C的温度范围内保持稳定。它采用金属接触面和螺丝锁定设计,接触电阻≤10毫欧,确保可靠的信号和电力传输。它广泛用于连接传感器和执行器等设备。

联系我们

如欲了解更多有关我们的产品和服务,请给我们发信息,我们的专家将尽快与您联系。
CONNODER康诺德是一家专业开发和生产高品质恶劣环境的圆形连接器的领先制造商和供应商。 广泛应用于世界各地的汽车,宽带通信,商业航空航天,国防,工业,信息技术和数据通信,移动设备和移动网络。